Form- und Lagetoleranzen (Abnahmebedingungen)

Kontakt
Unter +49(0)7431 1288-0 stehen wir Ihnen gerne zur Verfügung.
Ihre gewünschte Größe ist nicht dabei? Wir fertigen auch individuell. Rufen Sie uns an!
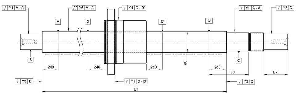
Die folgenden Daten können als Anhaltspunkt für die Form- und Lagetoleranzen der Funktionsflächen bzw. als Richtwerte für das Vorspannmoment von Kugelgewindetrieben dienen. Hiervon abweichende Bedingungen können vereinbart werden.
Geschliffenes Kugelgewinde (P0-P5)


